Analog Stethoscope Amplifier
Using modern integrated amplifier chips, as well as a tiny switching dc power converter, to make a fully analog amplifier for stethoscopes
Design
This project was made for a Senior design assignment. I had just 2 months for design and fabrication. I came up with this idea while in the back of an ambulance watching one of my coworkers were using a multi-hundred dollar Digital amplifier to take a patients heart rate. Even though I do not think that is the best application for that tool or the one I attempted to make, it did make me curious wether a low cost analog options was possible.


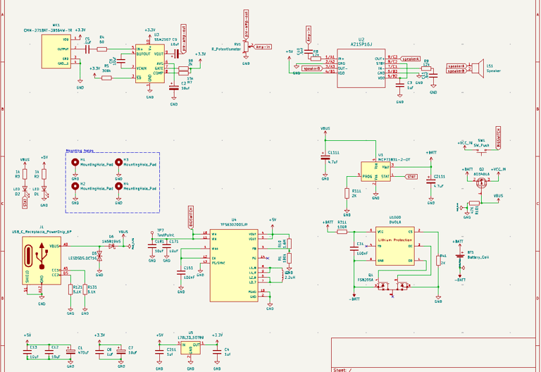
Circuit Design
I used simple building blocks to create a system that was simple and robust. I tried to use common package types and widely availibe components. There are some simple mistakes that had to be fixed with bodge wires and cut traces, unfortunately I did not have the opportunity to revise the schematic.
PCB Design
I used Kicad to design the PCB. To help the process get done quickly I designed each block of the circuit as blocks on the pcb, and integrated them after the fact. Kicad makes it easy to quickly layout pcbs and get them manufactured, luckily I was abled to get the boards ordered before the August tariffs took effect.


Testing
Errors made in circuit design and PCB layout made testing the board so much hard than it needed to be. With some time I was able to get both the preamplifier, amplifier, and power sections working. I wish I had more time and funding to construct a useable prototype, regardless the experience of working with new generation components, bga packages too small for hand soldering, and analog circuits I would not normally work with was invaluable. The video shows initial testing of the preamplifier and amplifier network. The photo shows the bodges necessary to make the differential amplifier work.


Results
I did not have enough time to flesh out this project like I would have liked to. However, the skills I learned while designing and constructing this board made it worth it, and it marks my first project in the medical technologies sphere. I would like to revisit this project in the future when I have time and funds to do so.
